土方开挖及基础施工方案

 / 倒序浏览   © 文章版权由 jianzhu_123 解释,禁止匿名转载

作者:jianzhu_123 2024-5-24 05:20:46
跳转到指定楼层

马上注册,结交更多好友,享用更多功能,让你轻松玩转社区。

您需要 登录 才可以下载或查看,没有账号?立即注册

x

目录

1 编制说明 1

1.1编制目的 1

1.2编制依据 1

1.3 编制目的 1

2 工程概况 2

2.1 工程概况 2

2.2 建筑概况 2

2.3 结构概况 2

2.4 工程地质情况 3

2.4.1 地层及岩性特征 3

2.4.2场地地下水条件 4

2.4.3 施工重难点及应对措施 4

3 施工准备 5

3.1 技术准备 5

3.2 现场准备 5

3.3 劳动力准备 5

3.4 机械准备 6

4 施工部署 7

4.1 项目组织机构图 7

4.2 管理人员职责划分 8

4.3 施工分区划分 8

4.4 施工节点安排 9

5 施工工艺 11

5.1 施工流程 11

5.2 施工方法 12

5.2.1土方开挖 12

5.2.2桩头破除 18

5.2.3垫层施工 20

5.2.4模板工程 26

5.2.5基础混凝土浇筑 33

5.2.6 地下墙体砌筑 37

5.2.7基坑回填 42

6 安全施工技术措施 48

7 文明施工措施 51

一、编制说明

1.1编制目的

为保证学校产业园项目土方开挖及基础施工质量,确保现场合理有序地开展施工,结合本工程特点、现场实际情况及相关质量工期要求,特编制本施工方案。同时也为业主、监理对基槽回填与开挖的施工方法、质量控制等各方面的了解提供依据。

1.2编制依据

1、《建筑地基处理技术规范》JGJ79-2012;

2、《建筑地基基础设计规范》GB50007-2011;

3、《建筑地基基础工程施工质量验收规范》GB50202-2013;

4、《建筑施工土石方工程安全技术规范》(JGJ180-2009);

1.3 编制目的

本方案针对学校产业园土方开挖及基础施工进行详述,方案中如有未尽事宜或与设计不符处以设计图纸为准。

二、工程概况

2.1 参建方

工程名称项目地点产业大道与中端南路交汇口建设单位监理单位设计单位勘察单位施工单位

2.2 建筑概况

学校产业园项目位于产业大道与中端南路交汇口,北临中端南路,本工程主要包含1#研发办公楼、2#厂房、15#厂房、3#污水处理池、4#储藏罐仓库、5#废料仓化工仓、6#仓库、7#食堂、8#、10~14#宿舍、9#公寓、泵房等工程及室外工程,项目总建筑面积约20万平方,占地面积约21万m2。

2.3 结构概况

结构设计概况

2.4 工程地质情况

根据本工程《岩土工程详细勘报告》所述,本场地地层按地质时代、地质成因、岩土类型、岩土名称及工程特性的变化自上而下依次可分为:

(1)素填土①(Qml):松散状态,厚度变化较大,密实度不均匀,工程性能差,未经处理不能作为建筑物天然地基基础持力层。

(2)淤泥质粉质粘土②((Q4al):流塑~软塑状态,场地范围内部分地段分布,属较均匀的高压缩性土,承载力低,工程性能差。不宜作为拟建建构筑物的基础持力层。设计和施工时应考虑其不利影响。如用作地层建筑物的持力层,须作进一步的地基处理。

(3)粉质黏土③(Q3al+pl):可塑状态,呈透镜体状分布于<2>黏土层中,属不甚均匀的中等压缩性土层,承载力中等,工程性能一般。可作为拟建建构筑物的基础持力层。

(4)粉质黏土④(Q3al+pl):硬塑状态,场地范围内大部分地段分布,属较均匀的偏低压缩性土,承载力较高,工程性能较好。可作为拟建建构筑物的基础持力层。

(5)强风化泥质砂岩K⑤:场地范围内分布较连续,厚度变化较大,属不甚均匀的偏低压缩性岩土层,承载力较高,工程性能一般。可作为拟建建构筑物的基础持力层。。

(6)中风化泥质砂岩K⑥:场地范围内分布较连续,厚度大,属不可压缩性岩层,承载力高,工程性能好。可作为拟建建构物天然地基或桩基持力层。

本工程场地内地基承载力特征值:

素填土淤泥质粉质粘土粉质黏土(可塑)粉质黏土(硬塑)强风化泥质砂岩中风化泥质砂岩地基承载力特征值fak(Kpa)/651302004001200

2.4.2场地地下水条件

上层滞水赋存于填土(Qml)(地层代号<1>)层中,以大气降水和地表水入渗为补给来源,无统一自由水面,水位及水量随大气降水及周边生活用水排放量的影响而波动。

勘察期间测得的上层滞水水位埋深为0.50~5.60m,高程为164.13~170.39m;基岩裂隙水赋存于基岩裂隙中,主要接受地表水和上层滞水补给,水量较小。

2.4.3本工程最大的开挖深度为4.1米(局部),考虑到本工程所在区域内水位比较低,基坑开挖深度达不到地下滞水层深度,且含水量比较小,故局部采用集水井方式排水。

2.4.4土方开挖时如遇地下水,采用基坑集水井排水方式降水,即在基坑底部挖集水井,集水井尺寸为800*800*1500mm,排水采用自吸泵抽排到指定的市政排水管道。

2.4.5护坡方式采用1:0.7自然放坡方式进行放坡。

2.4.3 施工重难点及应对措施

(1)土方开挖过程中认真控制好挖土深度,严禁超挖。要求在土壤开挖的过程中根据建设单位提供的水准标高点,利用水准仪将±0.00引测至钢管或者水泥墩支座的基准桩上,然后再土方开挖时架好水准仪,随挖随操作进行校核。

(2)基坑回填,在基础承台柱及圈梁施工完成并拆模完成,经建设单位验收后进行基坑回填。在基坑回填前,应清理基坑内积水和有机杂物,同时将砌体上面脚手眼采用砼同标号的砂浆修补填好。基础及地圈梁现浇砼要求达到一定强度,不因回填土而受损伤,方可进行回填。

三、施工准备

3.1 技术准备

1、熟悉施工图纸,了解设计意图,尤其是对标高进行仔细复核。

2、交接定位点和标高基准点,确保测量定位点的有效、准确性。

3、编制基槽开挖及回填专项施工方案,组织施工管理人员学习基槽开挖施工要点和施工控制重点,进行三级技术、质量、安全交底。

4、编制基槽开挖分项工程进度计划,明确各区域基槽开挖工期节点要求,确保施工进度计划节点要求。

3.2 现场准备

1、对现场的测量控制网、各单体轴线控制,各标高控制点进行复核,确保施工放线的准确无误。

2、对开挖区域进行方格网测设,记录土层原始标高,报请业主和监理对现场测设结果复测和验收,并得到业主和监理签字认可;

3、组织人员对现场开挖、运输机械进行验收工作,确保机械设备正常安全使用。

4、做好基槽排水措施。临时道路两侧做排水沟并设置集水井,现场准备好12台潜水泵对基槽内积水进行抽排,保证现场排水通畅,防止基槽回填及开挖过程中,基坑遭受雨水浸泡而导致地基承载力下降。

3.3 劳动力准备

1、根据施工进度计划,编制劳动力需用计划和进场时间,详见下表:

表3.1 劳动力需用计划表

2、对施工人员进行入场教育和安全培训,核查特殊工种作业人员的上岗证。签订安全生产责任书。

3、对现场操作工人逐一进行岗前培训和技术交底,并进行考核,合格后方可进行施工。

3.4 机械准备

根据本工程基槽回填、开挖工程量及工期进度要求,拟采用10台小挖机、10台大挖机,12台后八轮、4台推土机、2台压路机进行施工。需用的主要机具(仪器设备)详见下表:

表3.2 主要机械设备表

序号设备名称型号数量备注1小挖机PC130LC4台基槽开挖2大挖机PC240LC2台基槽回填整平3推土机TY220型2台基槽回填4钩机PC240LC2台破除泥质砂岩5压路机——1台回填压实6全站仪——1台定位测量7水准仪DS-32台标高测量8蛙式打夯机——4台回填夯实9后八轮(自卸式装载机)——4台土方转运10夯锤23.5t1个回填打夯11履带吊1001型1台回填打夯12龙门架1套回填打夯

四、施工部署

4.1 项目组织机构图

4.2 管理人员职责划分

4.2.1 人员安排

项目经理:**

项目副经理:**

项目安全总监:**

总工程师:**

商务副经理:**

质量管理:**

施工管理:**

技术管理:**

4.2.2 管理职责

1、各管理人员负责土方开挖及基础工程全过程的质量控制与管理,对现场出现的问题及时提醒更正;

2、进行技术交底,负责落实本方案中的各项要求;

3、负责施工过程中各班组的交接检、自检工作;

4、负责协助部长组织相关的监理验收工作;

5、负责及时收集相关资料,及时向资料室说明现场验收情况,及时反馈资料的报审要求等,并协助资料室完善相关过程验收资料。

4.3 施工分区划分

施工区域划分依据如下原则:1、施工流水划分;2、施工内容及体量;3、现场施工总平面布置。

根据现场场地条件,结合本工程各单体实际情况、主体结构施工流水部署及业主对工期的要求等,本工程拟分为1区、2区共两个施工区域。1区包含办公楼、2#厂房A区、3#仓库A区、3#污水处理池、4#仓库、5#仓库、6#仓库,建筑面积约9.35万平米;2区包含2#厂房B区、3#仓库B区、7#食堂、8#宿舍、10-14#宿舍、9#公寓,建筑面积约11.45万。

施工分区图

4.3施工节点安排

根据本工程施工总进度计划和主体结构施工进度安排,基础工程施工计划3个月内完成施工。2018年3月中旬开始进场进行桩基施工,预计2018年7月下旬基础全部施工完成。各楼栋基础结构施工插入时间及土方开挖顺序如下:

五、施工工艺

5.1 施工流程

土方开挖流程

基础工程施工流程

图5.1 桩基承台基础结构施工流程图柱下独立基础施工流程
图5.2 柱下独立基础施工流程图

5.2 施工方法

5.2.1土方开挖

5.2.1.1小基坑、基槽土方开挖方法及要点

基坑施工开挖边线放线测量工作应根据建设单位提供的施工图纸进行定位。施工前由测量人员根据设计图纸进行检查核对测量基线及标高基准点,确认准确无误后方可施工,并按要求填写《工程定位测量记录》,有关部门履行签字手续。挖土方前,考虑到对拉螺杆长度,根据引至施工现场的高程点及坐标点将需挖的桩承台、独立基础、地梁构件开挖边线外扩800mm作为坡脚开挖线并用白石灰粉撒出,采用垂直开挖(开挖深度超过1.5米及软弱土层部位采用1:0.7放坡开挖),挖土机严格按照白线位置进行挖掘。基坑挖土前,按照开挖上口线沿基坑四边在基坑顶部距坑壁1.5m处做排水沟,以免由于下雨引起基坑外水的倒灌。基坑开挖过程中应在离开基础边缘1m范围内挖明沟和集水坑进行排水,直至基坑施工完毕。在基坑开挖前应备好排水设备,以便及时有效的进行基坑内排水。本工程基础土方拟采用大、小型挖掘机相互配合进行开挖,中风化泥质砂岩拟采用炮机辅助开挖。基坑、基槽土方开挖时,施工测量人员严格控制标高,严禁超挖,超挖部分必须采用C15素砼进行回填。机械开挖一次性挖至垫层标高以上300mm后,待验槽后浇筑垫层时采用人工清底挖除至设计标高以防止因基底长时间暴露而受扰动,示意图如下:
图5.3 基础梁及基础承台开挖预留操作面示意图开挖过程中测量人员时刻跟班配合,应采取可靠的措施控制标高和挖土深度、宽度,施工时现场安设水准仪进行动态跟踪测量,并根据基坑面设置的标高随时拉线检查,特别是即将接近基底时,更要加强标高测量工作,严格控制土方开挖深度,防止对基底土扰动。

5.2.1.2施工方法

(1)采用挖土机从单体的端头以倒退行驶的方法进行开挖,挖土时注意保护基坑灰线,以免挖偏。挖出的土方采用自卸汽车在挖土机的两侧装运至甲方指定堆土地点堆放,不得随意堆放在基坑周边。在机械挖不到的土方,应配合人工随时进行挖掘,并用手推车把土运到机械作业半径范围之内,以便及时用机械挖运带走。

(2)土方开挖底标高=承台、独立基础、地梁底标高-0.05m

(3)中风化、强风化泥质砂岩开挖:先用液压锤将需开挖部分泥质砂岩进行破除,再用挖掘机配合自卸式装载机将破除的砂岩转运至甲方指定地点堆放。具体操作方法参加第6条的施工方法。

(4)本工程最大的开挖深度为4.1米(局部),考虑到本项目内水位比较低,基坑开挖深度达不到地下滞水层深度,且土层含水量比较小,故局部采用集水井方式排水。土方开挖时如遇地下水,采用基坑排水方式降水,即在基坑底部挖集水井方式降水,集水井尺寸为800*800*1500mm,排水采用自吸泵抽排到甲方指定排水管道。

(5)护坡方式采用1:0.7自然放坡方式进行放坡。

(6)污水处理见污水处理专项施工方案。

5.2.1.2土方开挖注意事项

(1)土方开挖前做好土方方格网测绘,放出控制定位线,并用石灰粉放出基坑、基槽开挖边线,方可开挖。

(2)根据本工程施工图纸,挖土深度根据设计垫层底标高水准点控制。

(3)采用反铲挖掘机开挖基坑时,应在垫层底标高以上预留300mm厚土层用人工清理,以避免断桩及扰动地基土。

(4)基坑开挖时,遵循先深后浅或同时进行的施工顺序。

(5)开挖过程中,及时将开挖的土方清运至甲方指定的土方堆放区堆放,支撑结构上部放坡顶部2m范围内不得堆载,载重汽车及其它超载距坑顶边缘边不少于2m。随时注意边坡支撑,防止滑坡、塌方伤人。建议安排专人对基坑边坡的稳定作随时监测,一发现问题立即汇报,做到预防第一,责任到人。

(6)基坑底部的开挖宽度和边坡,除应考虑结构尺寸要求外,尚应根据排水设施等所需的宽度增加工作面。

(7)人工修槽和清底,在基坑底打上钢筋头,然后测出水平线,拉线将多余的土挖走,同时由基础梁两端轴线(中心线)引桩拉通线(用小线),检查距槽边尺寸,确定槽宽,以此修整槽边,最后清除槽底土方。

(8)土方工程主要控制土方开挖位置,开挖深度、基坑边坡稳定及基坑回填质量。施工过程中现场管理人员采取跟班作业形式对其进行监控。

(9)基坑开挖完成后,及时通知监理、业主、设计、地勘等有关人员验槽后,方可进行下道工序。

(10)开挖基坑时如发现土层与地质报告不符或发现不良地基,如暗沟、暗塘等,应立即通知建设单位地质勘探部门、设计院等有关部门人员到现场研究解决。

5.2.1.3 土方转运

基坑及承台开挖时,先将挖出的土方集中堆放在施工现场内临近场地,在基坑承台连续开挖过程中及时将施工场地内临时堆放的土方外运至城南大道上坝仔村卸土场进行堆放,运距为11.7公里。场内临时堆放土方位置及场外运输路线示意图附后:

图5.4 场内集中土方临时场地安排

图5.5 土方外运路线图

5.2.1.4质量标准

表5.1 基坑机械挖土的质量检验标准

5.2.1.5质量保证措施

为确保工程质量达到合格,应着重抓好以下工作。

(1)管理体系

推行ISO9000质量控制管理体系,建立三级管理质量保证体系机构,严格按国家颁发的技术规范,质量标准及上级有关规定,进行检查验收。严格把好质量关,质检机构和质检人员对违章作业有权责令停工。贯彻“预防为主”的方针,积极协助班组长开展自检、互检活动。

(2)质量管理措施

1 建立图纸会审制度:施工前在项目经理部的统一领导下,组织各级技术人员认真看图、熟悉图纸,全面熟悉弄清设计意图,发现问题,找出差错,并认真做好记录,通过正式会审时,应将全部问题搞清楚,落实解决办法。

2 在图纸会审基础上,施工前应认真编制好施工方案,作为用以指导施工全过程各分项技术的文件。

3 建立健全并全面贯彻质量保证制度,包括技术管理、质量管理、材料供应岗位责任制、全面质量管理等制度,不断教育和提高全体职工的安全、质量意识。

4 建立质量检查和验收制度分部分项工程质量检查:每一分部分项工程完成后,由各工地工程负责人或主工长组织班组长,检查评定质量等级,并作好记录;每日收工检查(自检、互检、交接班检查):

5 贯彻“谁施工操作,谁负责质量的原则”落实岗位责任制,执行质量否决权的规定,明确施工人员、质检人员、技术主管的质量责任及其权威,凡是违规失职的,均有权进行纠正或停止施工。

6 建立技术交底制度:现场专业机长或班长,在各分部分项工程施工前,应对操作班组反复、细致地进行交底,并作好记录。内容包括工程地质情况、工程技术要求、工程质量、工程工期以及为达到设计要求而采取的施工工艺和技术措施。

7 推行工序质量管理,建立工序质量责任制,明确各工序质量标准和质量责任,设专职质检员按工艺流程对每道工序进行检查监控。每道工序完工后,须经质检员检查通过,方可进行下一道工序工作。发现质量问题及时解决,专职质检员具有质量否决权。

8 建立技术复核制度:由各工地现场工长主持,质检员及有关人员参加。

9 机械操作工等技术工人应经技术培训方可上岗操作,无操作证工人不能独立上岗作业。

10 按有关规定,自觉接受甲方工程监理人员、质检人员及设计人员的检查监督和指导。

11 推行全面质量管理工作:现场成立各个工种小组,以保证质量。

(3)保证质量技术措施

1 遵守先整体后局部和高精度控制的工作程序。

2 严格审核原始依据(设计图纸、测量起始点位、数据等)的正确性,坚持测量作业与计算工作步步有校核。

3 选用科学、简捷和精度合理、相称的施测方法。合理选择、专职、正确使用仪器。

4 建立一切定位、放线工作要经自检、互检合格后,方可申请主管部门验线的工作制度,实测时要做好原始记录,测后要及时保护好桩位。

5 测量人员要紧密配合施工。

5.2.2桩头破除

5.2.2.1 桩头破除施工方法

桩基伸入承台100mm高。

1、破除前测量破除标高,严格控制破除误差,破除时需对破除高度处用红色油漆标注两道醒目粗线,具体位置如下:

(1)第一处为设计桩顶标高线;

(2)第二处为桩顶标高往下50mm。在桩顶标高往下50mm处画一道控制线,用于直观有效的控制桩顶标高;

图5.6 桩头破除控制线图

2、剔桩头

桩顶线画好后,用风镐将桩顶标高控制线以上钢筋保护层砼剔除,剔除时注意对钢筋的保护。当待破除桩头过长,可先在钢筋预留高度处将钢筋烧断,再对桩顶标高至钢筋预留高度部分桩头钢筋保护层进行剔除。钢筋剥离出混凝土后,钢筋向外侧稍微压弯(不大于30度),对超过预留长度部分钢筋进行切除,便于后续施工。

3、加钻顶顶端桩头

在桩顶线以上1~2cm,沿桩头四周,每根桩均匀布置12-15个孔位,采用凿岩机打孔,打孔深度为8~10cm。钻孔完成后,插入钢钎,加钻顶断桩头,钢钎水平或稍向上。每个钢钎配置两个夹片,在桩头顶断后,便于钢钎的取出。

图5.7 桩头破除时钢钎位置图

4、桩头吊出

吊出桩头时,必须确保桩头内部吊筋脱离,严禁强行吊拽,防止塔吊发生不安全事故。要注意吊装点位置的选择,找出桩头的重心位置,钢丝绳牢牢套住以后,指挥塔吊轻轻提起,确定钢丝绳已位于桩头重心位置,方能指挥吊出,防止发生桩头吊装侧滑事故。吊钻的钢丝绳必须选用软性、优质、无死弯和无断钢丝绳。

5、调整桩头钢筋

钢筋操作人员将桩头钢筋按照设计及规范要求调整到相应位置。

图5.8 桩头破除后效果图

5.2.2.2 桩头破除注意事项及质量要求

(1) 桩头破除必须保证破除面在垫层面以上100mm±30mm处,尽量保证桩头平整,避免出现桩头缺边少角、缺少钢筋保护层现象。

(2)桩头破除时严禁将阻碍破除桩头的钢筋随意弯折切割,风镐破除钢筋保护层时,钢筋可稍微弯曲,但不得超过30度。

(3)凿好的桩要求露出新鲜混凝土,桩顶中间略高于四周,桩顶混凝土应洁净均匀、无夹层、无浮浆且强度符合要求,桩头破除后及时将混凝土碎渣清理出基坑外。

(4)凿除后桩头应干净无泥土等杂物,钢筋上混凝土应清理干净且钢筋应顺直。

5.2.3垫层施工

(1)基础底面(承台、独基、基础梁)均设置C15商品混凝土垫层,厚度100mm,每边伸出基础边100mm。垫层的施工按开挖一块、清理修整一块、浇筑一块的方式进行。

(2)垫层浇筑前应将需浇筑垫层的范围进行支模,模板采用短钢筋进行固定,示意图如下:

(3)垫层的标高、平整度控制是垫层施工的关键控制环节。在垫层浇筑前要对土方进行修整,应用小标识牌对基坑、基槽开挖标高进行标识。垫层浇筑时,先用短钢筋头钉在基坑中做为标高控制点,短钢筋头按每1.5米布置一个,用水准尺对其进行标高测定,并进行土方局部修整。在垫层混凝土浇筑过程中,将以这些短钢筋头顶面做为垫层标高控制点控制垫层厚度。在垫层混凝土具体施工时,队伍测量员应对垫层标高全程进行跟踪、复核。

(3)混凝土浇筑采用泵送砼,由远而近,并不得在同一处连续布料,应在2米范围内水平移动布料,且垂直浇筑,确保顺利布料。垫层混凝土浇筑时,经木刮尺初抹刮平后,然后人工拉对角线按+50cm线反出楼面标高再次找平,待砼收浆后,用木抹子搓压平整,在混凝土初凝前上人只出现2mm左右脚印时,应用压光机进行全面磨光。压光完成后,进行最后一遍抹压,抹纹应一致,最后进行细毛扫帚拉毛。注意:搓压时,应沿同一方向来回搓压平整,后一次搓压须与前一次搓压互相垂直,以保证地面平整,不开裂。保证垫层混凝土的密实性和平整度。当日清出的基底应当日浇筑垫层,不得隔日浇筑,未浇筑垫层的基底暴露面积不大于100㎡。

5.2.4测量放线

建筑物基础轴线平面控制以业主提供的控制点为基准,采用全站仪测设建筑物角点放置十字控制轴线,进而引出各分轴线,形成轴线网。标高控制根据业主提供的由规划勘测部门设置的水准点为准,引测现场施工用水准点,均匀布置在施工现场四周,建立水准基准组。采用高精度水准仪进行数次往返闭合测量形成正式基准点资料,便于相互校核和满足分段施工的需要。

5.2.5钢筋工程

5.2.5.1 钢筋的加工

施工前由专职钢筋放样员按设计图纸及施工规范进行翻样,专业技术人员核对签字后下发给钢筋加工班组进行统一下料。放样前应切实掌握结构设计总说明要求,并与设计变更及图纸会审记录相结合。钢筋保护层厚度要求见下表

表5.2 钢筋最小保护层厚度表

注:1、表中混凝土最小保护层厚度指最外层钢筋外边缘距混凝土表面的距离,钢筋保护层厚度应注明当砼强度等级不大于C25时,表中数值增加5mm。

2、构件中受力钢筋的混凝土保护层厚度不应小于钢筋的公称直径。

(3)施工队拿到料单核对无误后,按放样料单下料。下料时必须统筹考虑,长短结合,注意提高钢筋的利用率。

(4)钢筋的切断,应遵循先断长料,后断短料,减少短头,减少损耗。断料时不用短尺量长料,防止在丈量中产生累计误差。在切断过程中,如发现钢筋有劈裂、缩头或严重的弯头等时必须切除。

(5)项目钢筋负责人、质检员必须定期检查后台钢筋断料是否完全按照料单及技术交底进行执行,并作出相应的检查记录,以书面形式将检查中的质量问题反馈到施工队,及时督促施工队按期整改。

(6)钢筋的加工制作

1 划线:根据钢筋料单的要求,将钢筋的尺寸标识在定位板上,钢筋弯曲时,根据定位板上的尺寸,用粉笔将各弯曲位置划出,根据不同的弯曲角度扣除弯曲调整值,扣除法是从相临的两段长度中各扣除一半。钢筋端部带半圆钩时,该段长度划线时增加0.5d,划线应从中间向两边进行,两边不对称时,可从一端开始。但若划到另一端有出入时,应重新调整。调整值见下表(mm)

表5.3 调整值表

2 箍筋制作

一级钢筋末端做180度弯钩时,其圆弧弯曲直径控制在钢筋直径的2.5倍,但不小于主筋直径,平直部分长度为10d;弯起钢筋中间部位弯折处的弯曲直径为5d。钢筋作不大于90度的弯折时,弯折处的弯弧内直径不应小于钢筋直径的5倍。

图5.9 钢筋加工图

3马镫加工

马凳可根据现场情况也可选用以下做法:每隔1m放置一个。其直径选用:当板厚h≤30cm时为8~10mm;当板厚h=30~50cm时为12~14mm;当板厚h>50cm时为16~18mm。

(a)钢筋撑脚;(b)撑脚位置

5.2.5.2钢筋安装

承台及柱钢筋施工要点

1 垫层浇灌完成后,砼达到1.2Mpa后,表面弹线进行钢筋绑扎,钢筋绑扎不允许漏扣,柱角筋弯钩部分与底板筋成45度绑扎,连接点处必须全部绑扎,距底板50mm处绑扎第一个箍筋,距基础顶下100mm/上50m处绑扎第二、三道箍筋,做为标高控制筋及定位固定筋,柱插筋最上部再绑扎一道定位筋,上下箍筋及定位箍筋绑扎完成后将柱插筋调整到位并绑扎固定,然后绑扎剩余箍筋,保证柱插筋不变形走样,大样图如下。其余两桩承台及三桩承台钢筋施工方法详见结构施工图纸。

图5.10 承台柱插筋示意图

备注:若施工图纸另有标注规定,则按图纸施工。

2 划箍筋间距线:在立好的柱子竖向钢筋上,按图纸要求用粉笔划箍筋间距线,并标明加密区钢筋位置,箍筋绑扎时按画好的间距线进行绑扎。

(2)梁钢筋施工要点

1 根据测量放线,放好梁位置线,支梁底模板,在梁底模板上画出箍筋间距,并标出钢筋加密区的钢筋位置线,然后摆放钢筋。

2 先穿主梁的下部纵向受力钢筋及弯起钢筋,将箍筋按已画好的间距逐个分开;穿次梁的下部纵向受力钢筋及弯起钢筋,并套好箍筋;放主次梁的架力筋;隔一定间距将架力筋与箍筋绑扎牢固,主次梁同时配合进行。

3 梁上部纵向钢筋贯穿柱子节点,梁下部纵向钢筋伸入柱子节点,其锚固长度及伸过中心的长度要符合设计要求。纵向钢筋在与柱子端节点内的锚固长度也要符合设计要求。

4 箍筋在叠合处的弯钩,在梁中应交错绑扎,箍筋弯钩为135,平直部分长度为10d。

5 梁端第一个箍筋应设置在距离柱节点边缝50㎜处。梁端与柱交接处箍筋应加密,其加密区长度为梁高的1.5h(h为梁截面的高度),以支座边50㎜顺延。

6 梁筋的搭接:梁的钢筋连接选用:钢筋直径≧16时采用螺纹套筒连接;钢筋直径≦14时采用绑扎搭接。

7 箍筋与主筋相交点均要绑扎牢固,其中上部纵向钢筋与箍筋用套扣法绑扎,绑扎丝头朝向混凝土内部。

8 梁柱节点处钢筋较密,应合理安排工序,在梁纵筋锚入或穿过柱后再绑扎节点区的柱箍筋,最后再绑扎节点外的梁箍筋,详梁柱节点钢筋绑扎示意图。

图5.11 梁柱节点图

9 梁筋绑扎完后,拆除临时支撑架,将梁落入梁底板上,将梁位置调正,垫混凝土垫块,底部垫块间距600mm,侧面垫块间距800mm,梅花型布置。

10 承台钢筋绑扎好后侧面搁置保护层混凝土垫块,钢筋保护层厚度要求参见表5.2,承台底部垫块间距不得大于1000mm,以防出现露筋等质量通病。

11钢筋绑扎完成后,注意对钢筋的成品保护,不得任意碰撞钢筋和踩踏,造成钢筋移位,如有钢筋移位的及时调整恢复。

5.2.4模板工程

桩承台、独立基础地梁钢筋绑扎完成之后,进行桩承台及地梁模板支设及加固。

5.2.4.1基础模板安装

(1)基础模板施工工艺流程

1 承台模板施工工艺流程

测量定位→承台侧模加工→涂刷脱模剂→支设侧模板→初步加固→模板校正→加固→预检。

2 基础梁模板施工工艺流程

搭钢管承重支撑架→复核标高及梁定位墨线→梁底模、侧模加工→涂刷脱模剂→安装梁底模→绑扎梁钢筋→安装梁侧模→侧模加固→质量检查。

(2)施工方法

1基础梁模板的施工

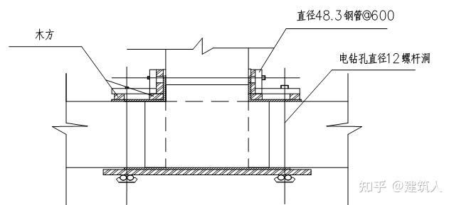
基础梁模板底模采用50厚垫层,侧模采用18mm覆膜木模板,50×100木枋主次龙骨背楞,φ48×3.0钢管支撑的方式支设,钢管加固支撑采用对拉螺杆穿PVC管对拉加固、斜撑辅助加固的方式。具体详见下图:

图5.10 基础梁支护侧面图

图5.12 基础梁支护剖面图

当桩承台底标高较基础梁底标高大于于100mm时,采取钢管扣件支撑进行加固,详下图

图5.13 基础梁支撑剖面图

2 基础梁模板施工注意事项

搭钢管承重支撑架之前,对原土地面必须夯击密实,立杆下垫通长木板。安装梁底模板应拉线找直,当梁跨度等于或大于4m时,梁底板应按设计要求起拱。如设计无要求时,起拱高度必须为全跨长度的1/1000~3/1000。

3 承台模板的施工

桩承台模板底模采用50厚垫层,侧模采用18mm覆膜木模板,钉压脚模板条以固定承台侧模底部,三道水平50×100木枋主龙骨背楞,竖向钢管加固(间距500mm),侧面设置水平横杆加斜向支撑钢管(间距500)。具体详见下图:

图5.14 承台模板加固4独立基础加固施工

施工方法:对于独立基础、承台基础侧模可采用18mm厚覆膜木模板,50×100木枋主次龙骨背楞,φ48×3.0钢管支撑的方式支设,钢管加固支撑采用斜向三角支撑(下图一)或支撑在基坑边坡上(下图二),木枋斜撑及顶撑交替布置,间距250mm,钢管支撑间距500mm一道。详见下图:

图5.15 承台模板侧边加固

5桩承台(独立基础)与基础梁交界处处理

当桩承台(独立基础)底标高较基础梁底标高小于等于100mm时,承台浇筑砼垫层时,承台与梁交接处垫层延伸至土方开挖坡底,梁模板支设时,基础梁与承台交接处模板支设至承台垫层面,并与基础梁砼整浇。

图5.16 承台与基础梁联结处详图

6柱模板施工

首层柱分两次施工,第一次施工至室内正负零标高(较地面垫层标高高5公分左右,以便于二次框架柱支模)。

工艺流程

柱钢筋绑扎验收→模板安装前准备(包括柱模板加工、柱边控制线等)→清理柱根部杂物并复核柱定位线→柱模安装就位(方圆扣加固,间距350)→调整模板位置→复核模板垂直度→斜撑加固→预检。

施工方法

1)模板底部板面应平整,沿柱边线向外3-5mm贴好海绵条,检查模板是否清理干净,预埋件是否安装到位。

2)将模板安装就位,采用采用对拉螺栓、双钢管加固模板,并安装斜撑斜向加固,斜撑与水平面成45度-60度角,使其稳定座落于基准面上。

注意事项

1)保证工程结构和构件各部分形状尺寸和相互位置的准确,模板安装完成后必须对尺寸、定位进行复核。

2)木模与支撑系统应选不易变形、质轻、韧性好的材料不得使用腐朽、脆性和受潮湿易变形的木材。

3)模板的接缝不应漏浆。

5.2.4.2 基础模板拆除

(1)侧面模板在混凝土强度能保证其棱角不因拆模板而受损坏时方可拆模,拆模前设专人检查混凝土强度,拆除时采用撬棍从一侧顺序拆除,不得采用大锤砸或撬棍乱撬,以免造成混凝士棱角破坏。

(2)承重的梁板底模板拆除时,以同条件养护的混凝土试块强度作为模板拆除的强度依据,底模板拆除时混凝土强度要求见下表:

表5.4 梁底模拆除强度要求:

(3)底模拆除作业,应在拿到强度检测报告满足要求后由项目部下达的模板拆除令并通知监理检查验收同意后,方可按规定要求实施模板拆除,严禁私自拆除底模。

(4)拆除后的模板、钢管要及时清运,同时模板上的杂物应清理干净,涂刷隔离剂,分类堆放在指定场地,堆放整齐,且模板、钢管堆放高度不得超过两米。

5.2.4.3 模板安装质量控制

质量验收

(1)材料验收

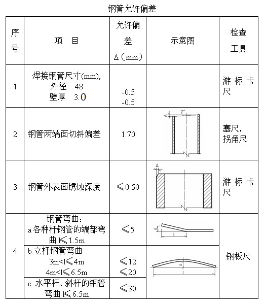
1 搭设模板支架用的钢管、扣件,使用前必须进行抽样检测,抽检数量按有关规定执行。未经检测或检测不合格的一律不得使用。

2 钢管外径、壁厚、端面等的偏差;钢管表面锈蚀深度;钢管的弯曲变形应符合《规程》附录E的规定;

3 经检验合格的钢管、扣件应按品种、规格分类,堆放整齐平稳,堆放场地不得积水。

4 施工现场应建立钢管、扣件使用台帐,详细记录钢管、扣件的来源、数量和质量检验等情况。

5.2.4.4 模板验收

主控项目

(1)安装现浇结构梁的模板及其支架时,确保立杆基础应具有承受上层荷载的承载能力;检查数量:全数检查。检验方法:对照模板设计文件和施工技术方案观察检查。

(2)在涂刷模板隔离剂时,不得沾污钢筋和混凝土接槎处。检查数量:全数检查。检验方法:观察检查。

一般项目

(1)模板安装应符合下列要求

1 模板的接缝不应漏浆;在浇筑混凝土前,木模板应浇水湿润,但模板内不得有积水。

2 模板与混凝土的接触面应清理干净并涂刷隔离剂,但不得采用影响结构性能或妨碍装饰工程施工的隔离剂。

3 浇筑混凝土前,模板内的杂物应清理干净。

检查数量:全数检查。

检验方法:观察检查。

(2)对跨度不小于4m的现浇钢筋混凝土梁,其模板应按设计要求起拱;当设计无具体要求时,起拱高度宜为跨度的1/1000~1/3000。

检查数量:在同一检验批内,梁抽查构件数量的10%,且不少于3件,墙和板按有代表性的自然间抽查10%,且不少于3间;对大空间结构,板可按纵、横轴线划分检查面,抽查10%,且不少于3面。

检验方法:水准仪或拉线、钢尺检查。

固定在模板上预埋件、预留孔和预留洞均不得遗漏,且应安装牢固,其偏差应符合下表规定:

表5.5 预埋件、预留孔和预留洞偏差表:

检查数量:在同一检验批内,梁、柱抽查构件数量的10%,且不少于3件;检验方法:钢尺检查。

表5.6 现浇构件模板安装的允许偏差见下表

检查数量:在同一检验批内,梁、柱抽查构件数量的10%,且不少于3件;

5.2.4.5质量保证措施

质量保证程序

(1)模板方案:审核批准→方案实施→过程中优化→方案可行保证。

(2)人员:培训考核,持证上岗→执行岗位责任制→人员素质保证。

(3)材料:原材料半成品检验→质量保证资料齐全→原材料质量保证。

(4)操作:班前交底→按工艺标准要求操作→按图施工→操作过程保证。

(5)机具:检测合格方可使用→周检维修保养→机具保证。

(6)过程控制程序

模板方案编制→模板方案审批→方案交底→工序操作→班组自检(合格)→项目部验收(合格)→监理验收(合格)→进入下道工序。

(7).质量问题会诊程序

出现质量问题→检查核实→分析原因→组织会诊→制定整改措施→落实整改→复查通过。

5.2.4.6应注意的质量问题

(1)柱模板容易产生的问题是:截面尺寸超偏差,柱角混凝土不密实。模板背面方木设置间距不得过大,应符合设计要求;柱箍设置应能承受混凝土的侧压力,保证模板不变形;柱模板边方木中心应位于模板接缝处,防止模板接缝处漏浆,确保柱角混凝土密实、光洁。

(2)梁模板容易产生的问题是:梁身不平直,梁底不平,梁侧面鼓出,梁上口尺寸偏大。梁模板应通过设计确定支撑立柱,使模板支撑系统有足够的强度和刚度,防止浇混凝土时模板变形;模板支撑立柱的底部应支在坚实的地面上,原土地面应垫通长垫板,防止立柱下沉;梁模板应按设计要求起拱,防止挠度过大。梁模上口应有拉杆锁紧,防止上口变形。

(3)柱模板容易产生的问题是:柱截面尺寸不准确,拼缝处跑浆,柱垂直度偏差大,柱根混凝土跑浆。对拉螺杆内套管应有足够的强度和刚度,确保螺栓紧时不变形;模板接缝间隙超偏差的,应采取密封措施(贴胶带纸),确保混凝土不跑浆;柱模板安装后,应检查模板底与地面是否紧贴,发现有缝隙时应采取有效封堵措施。

5.2.5基础混凝土浇筑

5.2.5.1 混凝土材料进场

本工程主体结构的混凝土全部采用商品混凝土进行浇筑施工。

在施工过程前应根据工程的相关特点向商品混凝土公司对水泥、细骨料、粗骨料、掺合料、外加剂进行进行交底和抽查监督,以保证质量,具体要求如下:

(1)水泥:应根据工程特点、所处环境以及设计、施工的要求,选用适当品种和强度等级的水泥。普通混凝土宜选用硅酸盐水泥、普通硅酸盐水泥等。大体积混凝土宜选用水化热较低的水泥,如火山灰质硅酸盐水泥及粉煤灰硅酸盐水泥。

(2)细骨料:当选用砂配制混凝土时宜优先选用Ⅱ区砂。对于泵送混凝土用砂,宜选用中砂。

(3)粗骨料:当采用碎石或卵石配制混凝土时,粒径应控制在5~25,且满足规范要求的级配要求。

(4)掺合料:

1)用于混凝土中的掺合料,应符合现行国家标准《用于水泥和混凝土中的粉煤灰》、《用于水泥中的火山灰质混合材料》和《用于水泥中的粒化高炉矿渣》的规定。当采用其他品种的掺合料时,其烧失量及有害物含量等质量指标应通过试验,确定符合混凝土质量要求时,方可使用。

2)选用的掺合料,应使混凝土达到预定改善性能的要求或在满足性能要求的前提下取代水泥。其掺量应通过试验确定,其取代水泥的最大取代量应符合有关标准的规定。

(5)混凝土外加剂:

1)选用外加剂时,应根据混凝土的性能要求、施工艺及气候条件,结合混凝土的原材料性能、配合比以及对水泥的适应性等因素,通过试验确定其品种和掺量。

2)混凝土外加剂的各项技术指标要求应符合相关规范要求。

(6)水:混凝土拌制用水宜采用饮用水;当采用其他水源时,应进行取样检测,水质应符合国家现行标准《混凝土拌合用水标准》(JGJ63)的规定。

5.2.5.2 设备进场

(1)运输设备:塔式起重机、混凝土搅拌运输车、混凝土输送泵、固定泵与布料杆配合(直径16米,也可人工搬运管道布料)、自卸翻斗汽车、机动翻斗车、手推车等。(根据不同部位采用)

(2)混凝土振捣设备:插入式振动器和平板式振动器等。

(3)主要工具:磨光机、尖锹、平锹、混凝土吊斗、贮料斗、木抹子、3米长刮杠、铁插尺、胶皮水管、铁板、12~15 寸活扳手、电工常规工具、机械常规工具、对讲机等。

5.2.5.3 混凝土浇筑

(1)泵送混凝土浇筑顺序

1 当采用输送管输送混凝土时,应由远而近浇筑;

2 同一区域的混凝土,应先竖向结构后水平结构的顺序,分层连接浇筑;

(2)浇筑总体要求

1 混凝土浇筑时的坍落度必须符合下表中的要求.施工中的坍落度应按混凝土实验室配合比进行测定和控制,并填写混凝土坍落度测试记录。

表5.7 混凝土浇筑时坍落度要求

(3)柱混凝土浇筑

1 混凝土浇筑应分层振捣,每次浇筑高度不应超过振动棒长度的1.25倍,即不得超过500 mm;在振捣上一层时,要插入下层混凝土内不小于50~100 mm,以消除两层之间的接缝。下料点应分散布置,一道墙至少设置两个下料点,门窗洞口两侧的混凝土必须同时均匀浇筑,以避免门窗口模板走动。

表5.8 柱、墙模板内混凝土浇筑倾落高度限制(m)

条件浇筑倾落高度限值粗骨料粒径大于25mm≤3粗骨料粒径小于25mm≤6

2 使用插入式振捣器应快插慢拔,插点要均匀排列,逐点移动,须序进行,不得遗漏,做到均匀振实。移动间距不大于振捣作用半径的1.25 倍(一般为300~400mm)。振捣上一层时应插入下层50~lOOmm,以消除两层间的接缝。

3 浇筑混凝土应连续进行,如必须间歇,其间歇时间应尽量缩短,并应在前层混凝土凝结之前,将次层混凝土浇筑完毕。间歇的最长时间应按所用水泥品种、气温及混凝土凝结条件确定,一般超过2h 应按施工缝处理。

4 浇筑混凝土时应经常观察模板、钢筋、预留孔洞、预埋件和插筋等有无移动、变形或堵塞情况,发现问题应立即处理,并应在已浇筑的混凝土凝结前修正完好。

5 在已浇筑的混凝土强度未达到1.2N/mm2以前,不得在其上踩踏或安装模板及支架。

6柱的混凝土浇筑完后,应随时将伸出的搭接钢筋整理到位,并将柱钢筋上粘的混凝土清理干净,以免影响混凝土与钢筋之间的凝结力。

7 振捣完毕后,人工用3m长大杠刮平,然后人工拉对角线按+50cm线反出结构标高再次找平。

8 砼强度达到1.2MPa后,才可上人放线及施工。吊运的钢筋及方木,不准冲击基础梁,不准集中堆放在基础梁上。

5.2.5.4混凝土的养护

混凝土养护工艺应根据《混凝土结构工程施工质量验收规范》(GB50204-2015)的有关规定。常温养护时应在混凝土浇筑完毕后12h 以内加以薄膜覆盖和浇水养护,浇水次数应能保持混凝土有足够的润湿状态,对采用硅酸盐水泥、普通硅酸盐水泥或矿渣硅酸盐水泥拌制的混凝土,不得少于7d;对掺用缓凝型外加剂或有抗渗要求的混凝土,不得少于14d;当采用其他品种水泥时,混凝土的养护应根据所采用水泥的技术性能确定。当温度低于5℃时,不得浇水养护混凝土,应采取加热保温养护或延长混凝土养护时间。

5.2.5.5质量控制

(1)主控项目

现浇结构不应有影响结构性能和使用功能的尺寸偏差。对超过尺寸允许偏差且影响结构性能和安装、使用功能的部位,应由施工单位提出技术处理方案,并经监理(建设)单位认可后进行处理。对经处理的部位,应重新检查验收。

检查数量:全数检查。

检验方法:量测,检查技术处理方案。

(2)一般项目

现浇结构和混凝土设备基础拆模后的尺寸偏差应符合表下表规定:

检查数量:按楼层、结构缝或施工段划分检验批。在同一检验批内,对梁、柱和独立基础,应抽查构件数量的10%,且不少于3件;对电梯井,应全数检查。对设备基础,应全数检查。

表5.9 现浇结构尺寸允许偏差和检验方法见下表

5.2.5.6 质量缺陷修整

(1)混凝土结构外观严重缺陷修整应符合下列规定:

对于露筋、蜂窝、孔洞、夹渣、疏松、外表缺陷,应凿除胶结不牢固部

分的混凝土至密实部位,清理表面,支设模板,洒水湿润,涂抹混凝土界面剂,应采用比原混凝土强度等级高一级的细石混凝土浇筑密实,养护时间不应少于7d;

(2)混凝土结构尺寸偏差一般缺陷,可采用装饰修整方法修整。

(3)混凝土结构尺寸偏差严重缺陷,应会同设计单位共同制定专项修整方案,结构修整后应重新检查验收。

5.2.5.7试块留置

(1)结构混凝土的强度等级必须符合设计要求。用于检查结构构件混凝土强度的试件,应在混凝土的浇筑地点随机抽取。取样与试件留置应符合下列规定:

1 每拌制100 盘且不超过100m3 的同配合比的混凝土,取样不得少于一次;

2 每工作班拌制的同一配合比的混凝土不足100 盘时,取样不得少于一次;

3 当一次连续浇筑超过1000m3 时,同一配合比的混凝土每200m3 取样不得少于一次;

4 每一楼层、同一配合比的混凝土,取样不得少于一次;

5 每次取样应至少留置一组标准养护试件,同条件养护试件的留置组数应根据实际需要确定。

检验方法:检查施工记录及试件强度试验报告。

5.2.6 地下墙体砌筑

框架柱施工至正负零标高并经1-2天拆模养护后,即可插入正负零以下填充墙施工,填充墙顶标高与地面垫层面标高保持一致,构造柱布置图后续下发技术通知单。

5.2.6.1 砌体材料进场

(1)根据设计要求±0.00标高以下潮湿部位的墙体采用蒸压灰砂砖,墙厚240mm(对应建筑200厚墙体)或180mm(对应建筑100厚墙体)。

(2)砂浆采用预拌砂浆,未特别注明时蒸压灰砂砖采用Ms10专用砂浆砌筑。

5.2.6.2 砌体施工流程

弹轴线→ 墙体植筋(如需)→构造柱钢筋绑扎→基层清理→立皮数杆→砌体砌筑→构造柱支模→浇筑构造柱

5.2.6.3 操作方法

(1)墙体植筋:

1植筋钻孔直径d+4mm,钻孔需用专门的电钻与钻头。植筋深度大于10d且大于等于100mm。

2 植筋的空洞应清理干净, 孔内应干燥无积水。

3 植筋粘结剂灌注应不妨碍空洞中空气排出,且在灌注时以植入钢筋后有少许粘结剂溢出为宜。

4 粘结剂完全固化前,不得触动钢筋,固化时间与温度按粘结剂说明书确定。

5 化学植筋的连接方式时,应进行实体检测。

6 植筋高度根据砌体的高度模数确定。

(2)墙体砌筑

1 弹线:砌筑前,应反复校核轴线,并弹出墙的中线和边线。

表5.10 放线尺寸的允许偏差

2 润砖:对于混凝土实心砖不应对其浇(喷)水湿润,但在气候干燥炎热的情况下,宜在砌筑前对其喷水湿润。

3 墙体砌筑时并应按设计要求留设构造柱。与后砌填充墙连接的柱应配合建筑图施工,应沿墙、柱高每隔500mm插2φ6预埋筋,锚入柱内不小于100mm,每边在砌体通长设置,末端加90度弯钩,埋入砖砌体中的拉结筋,居中置于灰缝内,灰缝宽度为10±2mm。

4 砌体搭砌长度不小于砌块长度的1/3,竖向通缝不大于两皮砌块且不应小于90mm且不大于12mm。灰缝饱满,横平竖直,墙面平整;

5 设置构造柱:设置构造柱的墙体,应先砌墙,后浇混凝土。砌砖时,与构造柱连接处应砌成马牙槎,每个马牙槎凹凸尺寸不宜小于60mm,沿高度方向的尺寸不宜超过300mm,马牙槎应先退后进,对称砌筑,构造柱应有外露面(如下图5.14)。 构造柱与砌体节点具体做法及构造柱模板支设,模板支设除L、T型墙体部位无法进行加固时,其余部位尽量不要穿已砌筑墙体进行加固,构造柱设置及模板加固示意图详5.14~5.17。

图5.17 砖墙与构造柱连接
图5.18 一字墙构造柱模板加固示意图
图5.19 丁字墙构造柱模板加固示意图
图5.20 L型墙加固示意图

6 勾缝:墙面勾缝应横平竖直,深浅一致,搭接平顺当勾缝为凹缝时,凹缝深度宜为4~5mm。

5.2.6.4 质量控制

(1)主控项目

1 砌体、砌块的品种、规格、强度等级必须符合设计要求,有出厂合格证、 试验报告。构造柱、组合砌体构件、配筋砌体剪力墙构件的混凝土及砂浆的强度等级应符合设计要求。

2 填充墙砌体应与主体结构可靠连接,其连接构造应符合设计要求。

3 填充墙与承重墙、柱、梁的连接钢筋,当采用化学植筋的连接方式时,应进行实体检测。锚固钢筋拉拔试验的轴向受拉非破坏承载力检验值应为6.0Kn。抽检钢筋在检验值作用下应基材无裂缝、钢筋无滑移宏观裂损现象;持荷2min期间荷载值降低不大于5%。

(2)一般项目

1 砌块、砌体水平灰缝和立缝(净浆面积)必须饱满,饱满度不得小于80%。竖向灰缝不应出现透明缝、瞎缝和假缝。

2 砌体拉结筋间距沿墙高不应超过500mm且竖向间距偏差不应超过100mm;

3 墙拉筋应通长设置。

4 墙体应砌成马牙搓,马牙槎凹凸尺寸不宜小于60mm,高度不应超过300mm,马牙槎应先退后进,对称砌筑;马牙槎尺寸偏差每一构造柱不应超过2处;

5 上下砌块要严格对肋错缝。

6 砖砌体的灰缝应横平竖直,厚薄均匀。

5.2.6.5 成品保护

(1)砌体材料运输、装卸过程中严禁抛掷和倾倒。进场后,要按品种、规格分别堆放整齐,作好标识。

(2)堆放高度不能超过2m。

(3)砌体墙上不得放脚手架排木,防止发生事故。

(4)砌体在墙上支撑圈梁模板时,防止撞动最上一皮砖。支完模板后,保持模内清洁,防止掉入砖头、石子、木屑等杂物。

(5)墙体的拉结钢筋、框架结构柱预留锚固筋及各种预埋件、各种预埋管线等,均要注意保护,严禁任意拆改或损坏。

(6)砂浆稠度要适宜,砌砖操作、浇筑过梁、构造柱混凝土时要防止砂浆流淌污染墙面。

(7)在吊放操作平台脚手架或安装模板、搬运材料时,防止碰撞已砌筑完成的墙体。

(8)预留有孔洞的墙面,要用与原墙相同规格和色泽的砖嵌砌严密,不留痕迹。

(9)垂宜运输的外用电梯进料口周围,用塑料纺织布或木板等遮盖、保持墙面清洁。

5.2.6.6质量保证措施

(1)砂浆强度不够:砂浆砌块应按标准方法进行制作、养护,注意不得使用过期水泥,每批进场预拌砂浆必须按规范要求进行复试,合格后方能使用。

(2)墙体不垂直:应在基础上弹出墙边控制线,并认真按线砌筑,以保证墙体顶部平直通畅。

(3)拉结筋不合模数: 砼墙、柱内预埋拉结筋,经常不能对准灰缝,应预先计算,砌块模数,位置标高控制准确,不得将拉墙筋弯折使用。

(4)植在柱内的拉结筋任意弯折、切断,必须引起重视,不得任意弯折或切断。

(5)水平缝不直,墙面凹凸不平砖规格偏差大,两上条面大小不等,砌筑时随意跟线,易使灰缝宽度不一,个别砖大条面偏大较多,不易将灰缝砂浆压薄,而出现冒线砌筑。墙长度较大时,拉线不紧,挂线产生下垂,跟线砌筑后,灰缝易出现下垂现象。当第一步架墙体出现垂直偏差进行调整后,砌第二步架交接处易出现凹凸不平。操作不当,铺灰厚薄不匀,砖不跟线,摆砖不平。经常用托线板检查墙面平整度。防治措施:砖规格偏差大,应注意线砌筑,随时调整灰缝,使宽度大小一致,砌砖宜采取小面跟线,挂线长度超长(15m-20m)时,应加腰线,腰线砖探出墙面3-4cm将挂线搭在砖面上,由角端穿看挂线的平直度,用腰线砖的灰缝厚度调平:当第一步架墙体出现垂直偏差,第二步架调整时,应逐步收缩,使表面不现太大凹凸不平,灰浆要铺平,摆砖要跟线,每块砖要摆得横平竖直,瓦工带托线板,吊线锤,经常检查表面平整度,做到三皮一吊,五皮一靠。

(6)砂浆不饱满

采用砂浆标号过低,料和不匀,和易性差,挤浆费劲,用大铲或瓦刀铺砂浆易产生空穴,砂浆层不饱满。防治措施:砌砖尽可能采用和易性好,掺加塑化剂的混合砂浆砌筑,以提高灰缝砂浆饱满度,改进砌筑方法,避免采用推尺铺灰法或摆砖砌筑,应推广括浆法,挤浆法,"三一砌砖法" (即使用大铲、一块砖、一铲灰、一揉挤的砌筑方法),严禁用干砖砌墙块。

5.2.7基坑回填

5.2.7.1 基坑回填施工流程

基坑清理 →基础验收 →分层填筑→摊铺平整→夯实→密度检测→修整 →回填土方验收

5.2.7.2 施工方法

(1)将基础及场内杂物清理干净后进行基坑回填。

(2)基坑回填材料选用表:

(3)基坑回填时从场地最低部分开始,采用自卸汽车运输土料,由一端向另一端自下而上分层铺填。每层虚铺厚度,用打夯机械夯实时不大于30cm。

(4)深浅坑(槽)相连时,先填深坑槽,相平后与浅坑全面分层填夯。墙基部分回填采用在两侧用较细的级配砂石同时均匀回填、夯实,以防止墙基及管道中心线位移。

(5)在承台四周先采用分层回填,并采用人工打夯夯实后,大面采用压路机分层回填压实,素土压实系数不小于0.94。人工夯实按每层200mm一次性达到要求向前推进,在回填及碾压和夯实时其推进方向与轴线平行。人工夯实与碾压结合处其重叠部位不应小于0.5m。

(6)对于碾压中出现的漏压及欠压部位以及碾压不到位的死角均采用人工手推车拉运回填材料和夯实方法进行补救。

(7)分段碾压时接茬处应作成大于1:3的斜坡,碾压时碾迹应重叠0.5m,上下层错缝距离不应小于1m。在降雨前应及时压实作业面表层,并将作业面作成拱面或坡面以利排水,雨后应晾晒,如回填部位为素土则将填土面的淤泥清除,合格后方可继续填筑。

(8)在整个回填过程中,设置专人保证观测仪器与测量工作的正常进行,并保护所埋设的仪器和测量标志的完好。

(9)在夯实或压实后,对每层回填的质量检查检验,采用小轻便触控仪直接通过锤击数来检验密实度,或采用环刀法取样测定土的干密度,求出土的密实度。

(10)基坑素土回填示意图如下:

(11)厂房生产车间承台(基础梁)回填示意图:

化工仓废料仓仓库地面回填示意图

5.2.7.3强夯施工

施工流程

测放夯点位置—→强夯机组就位—→打第一遍点夯—→推土填坑平整—→测量第一遍夯沉量及第二遍点夯的夯点放线—→第二遍点夯施工—→测量第二遍点夯场地下沉量及测放满夯基准线—→推土填坑平整—→满夯施工—→推土机平整场地、测量场地下沉量—→反复打夯至满足质量要求

强夯区域范围布置图如下:

(3)强夯技术要求:

插表 强夯技术要求表

项次项目施工技术要求1锤重和落距锤重23.5t,落距13m。2夯击点布置及间距夯击点按正方形网格布置,间距5m。3两遍之间的间隔时间2遍点夯的间隔时间不少于1d。强夯施工方法点夯施工

1、夯位放样,用白灰洒出夯位轮廓线。

2、架设水准仪,水准仪设在夯区边50米之外测量夯击点地面高程。

3、夯机就位,稳车后调整臂杆角度至65度。

4、测量锤顶高程并记录。

5、提升脱钩器,标定落距并锁定脱钩器钢丝绳长度。

6、提升夯锤,脱钩器打开夯锤自由落下。

7、推土天坑平整

8、测量锤顶高程。

9、重复步骤4-7,夯至规定的夯击数。

10、移机进行夯击,直至完成本遍全部夯点。

11、第一遍点夯施工完毕,用推土机推平,进行第二遍点夯施工。

满夯施工

1、放出满夯每排基准线。

2、夯机就位,锁定落距。

3、锤印搭接1/4,夯完规定击数。

4、夯后场地整平,测量标高。

5、重复步骤2-4,直至规定的夯击数。

(3)工序控制要点

1、现场的控制桩要树立明显标志,加以保护,并定期进行复核检查。

2、测放的夯点位置,应用明显的标志标出夯位中心点,并用白灰粉撒出夯位轮廓线。

3、落距确定后,锁定控制落距钢丝绳,并在龙门架上标出落距标志。

4、夯锤气孔保持畅通,如遇堵塞,应随时将塞土清除。

5、如施工中发现锤偏离坑中心,应立即调整对中,夯击后如发现坑底歪斜较大,需及时用填料将坑底垫平后,方可继续夯击。

6、认真做好施工记录,对每击的沉降量都应进行沉降观测和记载,并掌握好停锤标准。

7、密切注意异常现象,对夯沉量异常、夯锤反弹、地表隆起要加强监测,如实记录,并及时报告业主和监理工程师研究解决办法。

8、对场地沉降量有控制要求时,每遍夯前和夯后都应对场地夯沉量进行测量。

9、及时办理有关质量文件,做好现场施工记录,设计变更单,现场签证等有关工程资料,加强原始资料整理,归档管理工作。

5.2.7.4质量控制措施

(1)在堆土料场,不定期对土料的含水量进行检查,对于含水量较高的土料必须翻晒,待其含水量达到要求后方可进行回填。

(2)回填土的来源应落实,回填土质应采用无有机质和腐埴质的土,并应符合最佳含水量要求,黏性土以手捏成团,落地开花为宜。因为回填土过干将夯打不实,过湿则易变成橡皮土。

(3)基坑内无明显积水(积水和有机质物体如模板、纸袋等残留物,应清除干净)。做好临基坑四周的排水工作,不使基坑外的地面水流入基坑。

(4)回填土应考虑天气对回填土的影响,必要时应采取暂停回填土或采取防水覆盖措施。

(4)压实处不得出现松土、弹簧土、剪切破坏、光面等不良现象,相临作业面宜均衡上升,以减少施工缝。

(5)碾压回填土时,应注意保护基础结构不被破坏。

(6)施工时还应严格控制每层铺土厚度、保证夯实遍数,预防回填后出现回填土的不均匀沉降。

5.2.7.5 强夯具体施工工艺及安全操作规程参见强夯专项施工方案。

六、安全施工技术措施

6.1施工前应组织相关人员进行现场勘察,编制土方工程施工专项的施工方案,并组织专家论证审查。

6.2技术人员应编制安全技术交底,组织相关管理人员、作业班组及人员进行学习和交底,履行签字手续。

6.3机械挖土时不得损毁支护设施,机械作业范围内不得有其他作业。

6.4坑边堆物、行走车辆应与坑边保护保持2m以上安全距离,堆物高度不超过1.5m。

6.5沿基坑四周应设置防护栏,搭设供人员上下的梯道,夜晚应设红灯警示。

6.6沿基坑边应设截水沟。以防地面水倒流进入基坑。

6.7挖掘机作业前应进行检查,确认一切齐全完好,大臂和铲斗运动范围内无障碍物和其他人员,鸣笛示警后方可作业。

6.8挖掘机驾室内外露传动部分,必须安装防护罩。

6.9挖掘机履带或轮胎与作业面边缘距离不得小于1.5m。

6.10挖掘机行走时臂杆应与履带平行,并制动回转机构,铲斗离地面宜为1m。行走坡度不得超过机械允许最大坡度,下坡用慢速行驶,严禁空挡滑行。转弯不应过急,通过松软地时应进行铺垫加固。

6.11挖掘机回转制动时,应使用回转制动器,不得用转向离合器反转制动。满载时,禁止急剧回转猛刹车,作业时铲斗起落不得过猛。下落时不得冲击车架或履带及其他机件。

6.12作业时,必须待机身停稳后再挖土,铲斗未离开作业面时,不得作回转行走等动作,机身回转或铲斗承载时不得起落吊臂。

6.13驾驶司机离开操作位置,不论时间长短,必须将铲斗落地并关闭发动机。

6.14不得用铲斗吊运物料。

6.15发现运转异常时应立即停机,排除故障后方可继续作业。

6.16作业结束后,应将挖掘机开到安全地带,落下铲斗制动好回转机构,操纵杆放在空挡位置。

6.17各种电动机械设备必须有可靠有效的安全接地和防雷装置,方能开动使用;不懂电气和机械的人员,严禁使用和玩弄机电设备;吊装区域非操作人员严禁入内,吊装机械必须完好,把杆垂直下方不准站人。

6.18进入现场的钢筋机械及电气设备在使用前,必须经项目工程部、安全部检查验收,并报监理验收合格后方可使用。特种作业人员需持证上岗作业,并在机械旁挂牌注明安全操作规程。

6.19钢筋机械必须设置在平整、坚实的场地上,设置防雨防砸措施和排水沟。机械必须接地,操作工必须穿戴防护衣具,以保证操作人员安全。

6.20钢筋加工机械处必须设置足够的照明,照明设备必须增加网罩,保证操作人员在光线较好的环境下安全操作。在进行加工材料时,弯曲机、切断机等严禁一次超量上机作业。

6.21打磨钢筋的砂轮机在使用前应经安全部门检验合格后方可投入使用。开机前检查砂轮罩、砂轮片是否完好,旋转方向是否正确。对有裂纹的砂轮严禁使用。

6.22操作人员必须站在砂轮片运转切线方向的旁侧。

6.23钢筋加工机械地设专人维护维修,定期检查各种机械的零部件,特别是易损部件,出现有磨损的必须更换。现场加工的成品、半成品整齐。

6.24机械的安装应坚实稳固,所有电气机械外壳必须可靠与保护接地线连接,所有电气开关必须实行一机一闸一漏一保护,机械开关均采用漏电保护器。

6.25钢筋室外作业设置加工棚,机旁有堆放原料、半成品的场地。

6.26加工较长的钢筋时,有专人帮扶,并听从操作人员指挥,不得随意推拉。

6.27起吊钢筋时,规格必须统一,不准长短参差不一,不准一点吊。

6.28调直钢筋沿长度10~20m的两侧2m区域内禁止通过,并设置防护挡板拦护,挂安全标志。

6.29作业中人工抬移调直后的钢筋时,不得碰、触压高、低压电源电线。

6.30工作中应经常注意轴承的温度,如超过60℃时,必须停机查明原因。

6.31木工从业人员必须经过安全教育培训,考试合格方可上岗作业。

6.32木工机械操作人员应经过技术培训,考试合格取得机械“操作证”。

6.33作业前进行专项施工方案交底和班前安全技术交底。

6.34木工机械设备经验收合格,安全装置齐全,试运行符合安全要求。

6.35使用手锯时,锯条必须调紧适度,下班时要放松,以防再使用时锯条突然暴断伤人。

6.36向基坑内运送模板构件时,严禁抛掷。使用溜槽或起重机械运送,下方操作人员必须远离危险区域高处、复杂结构模板的安装与拆除,事先应有切实的安全措施。

6.37拆模必须一次拆清,不得留下无撑模板。拆下的模板要及时清理,堆放整齐。

6.38拆除的模板材料,应及时整理、分类堆放,模板上铁钉应及时拔除。

6.39木模板制作加工区应远离居民生活区一侧,减少噪音及粉尘污染。

七、文明施工措施

7.1进入施工现场,所有的技术管理人员、施工作业人员必须正确使用安全

防护用品。

7.2凡进入施工现场人员,应经过安全教育,具备一定的安全知识,并与项目安全部门签订有关安全施工的责任合同。

7.3各种原材料、机械设备必须挂标识牌。

7.4 施工现场环境卫生:派专人进行现场及周边道路的清理,砼车辆离开现场之前,对车轮进行冲刷,保证车辆不带污物出场,并做到沿途不遗撒。

7.5配备专用洒水车,对施工现场的运输道路经常进行洒水湿润,减少扬尘。

7.6水的循环利用:现场设置洗车池和沉淀池、污水井;罐车在出现场前均要沉淀后的清水冲洗,以保证市政道路的清洁,减少粉尘的污染。

7.7施工及生活中产生的污水或废水,设排污井集中处理,不得直接排放。

7.8及时清理场地内的弃碴与废弃物,并运至指定场地,做到工完、

料净、场地清。

7.9机械车辆途经居住场所时须减速慢行,不鸣喇叭;进行夜间施工作业时,所有施工车辆禁止鸣笛。

7.10安全、消防设施齐全,施工人员必须严格遵守安全和防火管理规定;坚决杜绝违章指挥,违章操作,违章施工;现场安全标示牌醒目。

7.11施工现场主道进出口处设置指挥亭,安排专人专职指挥进出车辆安全通行。

7.12所有土方机械(包括运输车辆)均需配置便携式灭火器,以防高温季节或其它特殊情况而引起的机械火情。

7.13土方运输车辆车厢顶一律覆盖篷布,以防扬尘污染环境。

7.14所有土方机械(包括运输车辆)须严格按交通安全规定粘贴反光膜,确保夜间施工安全。

7.15弃土场平整成规则形状,边沟排水畅通,不污染环境。

7.16钢筋、模板作业后,堆放好成品,清理场地,切断电源,锁好开关箱。

7.17成品、半成品、木材应堆放整齐,不得任意乱放,木材码放高度不超过1.2m为宜,木工机械周围的安全操作空间内禁止堆放材料。

7.18木工车间、木库、木料堆场配置灭火器。严禁吸烟或动用明火,废料应及时清理归堆,做好落手清,以免发生意外。

7.19模板制作场所,对地面上的锯末、废料应及时清理,在指定地点临时集中堆放,并及时处理掉。

7.20施工垃圾应每天清理至砌筑垃圾房(池)或堆放在指定的地点,做到“工完料净场地清”。

分享:

成为第一个回答人

高级模式 评论
您需要登录后才可以回帖 登录 | 立即注册
Archiver 手机版 小黑屋
Copyright © 2001-2026 Comsenz Inc.  Powered by Discuz! X3.5  沪ICP备2021008143号-5