马上注册,结交更多好友,享用更多功能,让你轻松玩转社区。
您需要 登录 才可以下载或查看,没有账号?立即注册
x
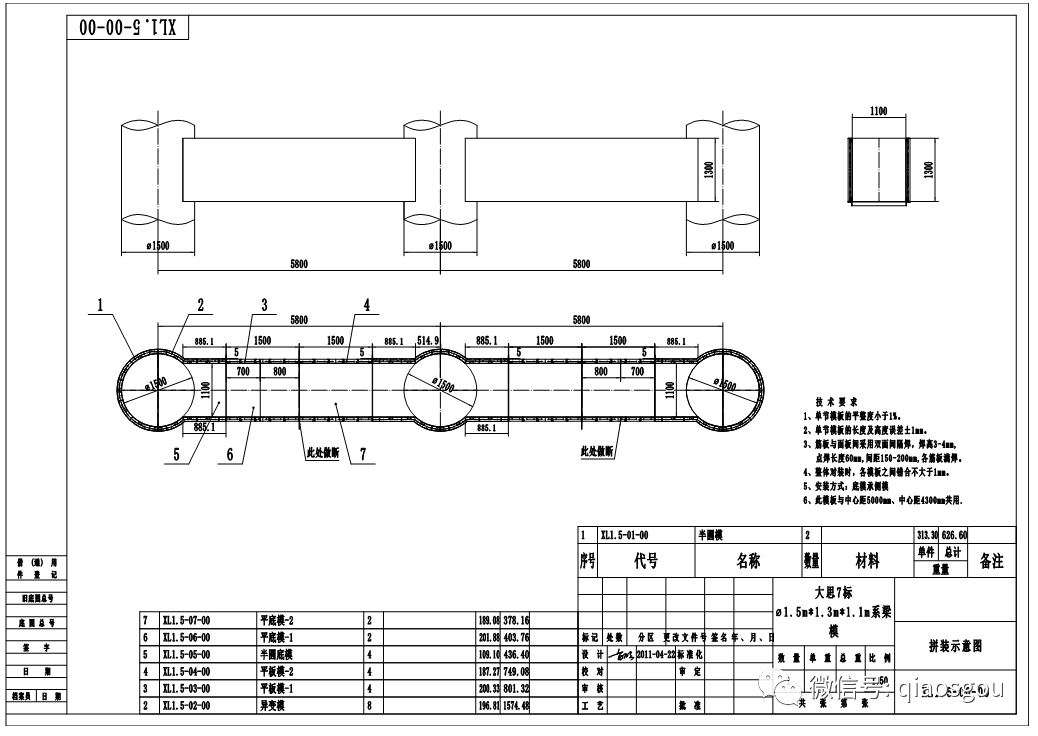
圆柱系梁模板是高速公路或公路桥梁工程所用的一种混凝土定型模板,模板采用Q235钢板焊接成型,钢板厚度可以根据客户的需求定制,系梁模板的规格尺寸也需要按照施工图纸加工。系梁是作为桥梁两根柱子之间的一根梁,主要是为了将两根柱子连成整体受力,起到拉杆作用,使柱子整体刚度加强。
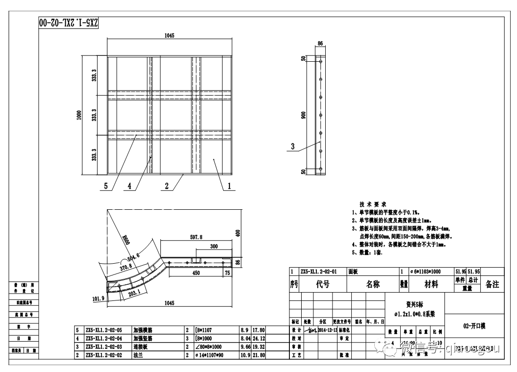
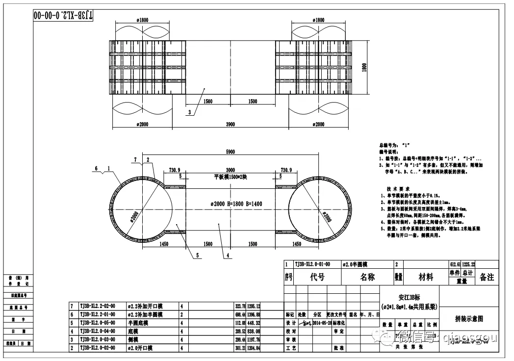
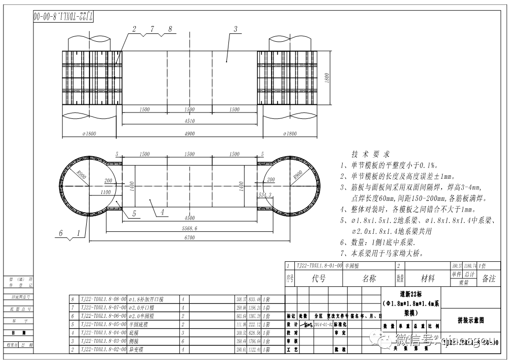
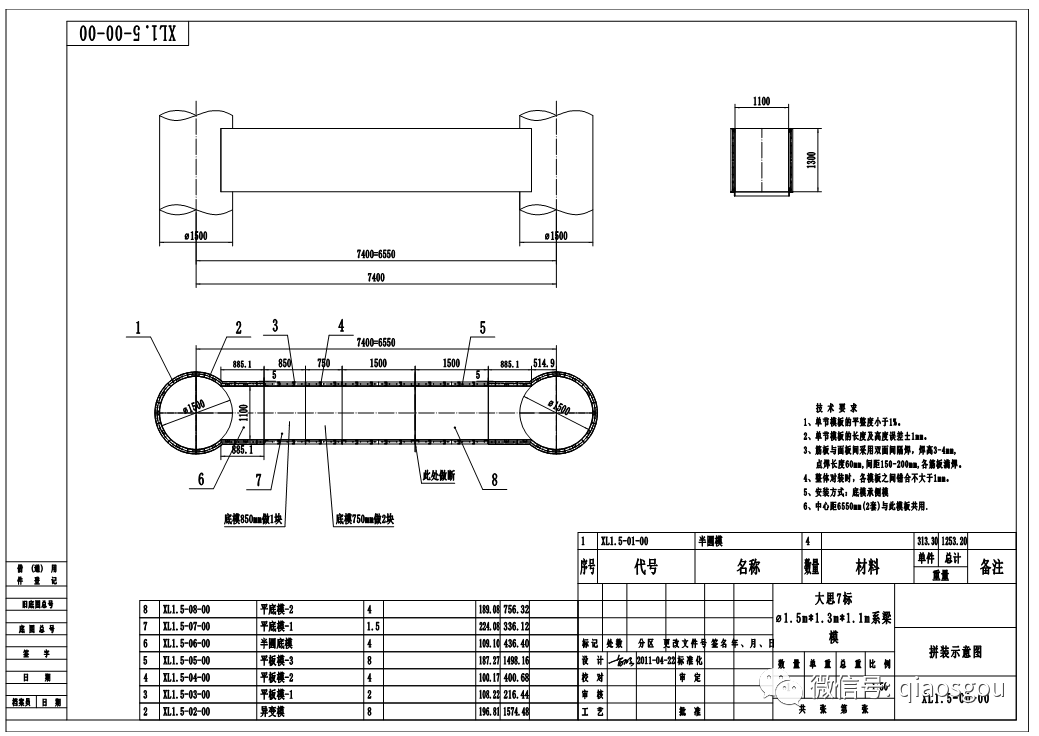
圆柱系梁模板通常由钢模板或木模板制成,其中钢模板具有较高的强度和刚度,能够承受较大的施工荷载,而木模板则具有较好的加工性能和适应性,可以根据不同的施工要求进行定制。 在制作系梁模板时,需要考虑到以下几点:1、模板的尺寸和形状应与系梁的尺寸和形状相匹配,以确保施工质量和结构安全性。2、模板的表面应平整、光滑,以保证混凝土表面的平整度和美观度。3、模板的支撑和固定应牢固可靠,以防止在施工过程中发生移位和变形。4、模板的拼接和拆卸应方便快捷,以缩短施工时间和降低劳动成本。总之,系梁模板是建筑结构中重要的组成部分,其质量和安全性直接影响到建筑物的整体性能和安全。因此,在进行系梁模板的设计和施工时,需要严格遵守相关的规范和标准,确保其质量和安全性能达到最佳状态。系梁分类:系梁从形状可以分圆柱系梁,方墩系梁,异形系梁系梁从位置可以分为地系梁,中系梁系梁从柱的数量可以分二柱系梁,三柱系梁,多柱系梁1、圆柱系梁主要分为二柱系梁:









2、双系梁:
 
3、共用系梁:


系梁施工照片
1、地系梁施工:



2、三柱地系梁


3、二柱中系梁

 fill=%23FFFFFF%3E%3Crect x=249 y=126 width=1 height=1%3E%3C/rect%3E%3C/g%3E%3C/g%3E%3C/svg%3E)
3、三柱中系梁
 fill=%23FFFFFF%3E%3Crect x=249 y=126 width=1 height=1%3E%3C/rect%3E%3C/g%3E%3C/g%3E%3C/svg%3E)
 fill=%23FFFFFF%3E%3Crect x=249 y=126 width=1 height=1%3E%3C/rect%3E%3C/g%3E%3C/g%3E%3C/svg%3E)
 fill=%23FFFFFF%3E%3Crect x=249 y=126 width=1 height=1%3E%3C/rect%3E%3C/g%3E%3C/g%3E%3C/svg%3E)
 fill=%23FFFFFF%3E%3Crect x=249 y=126 width=1 height=1%3E%3C/rect%3E%3C/g%3E%3C/g%3E%3C/svg%3E)
 fill=%23FFFFFF%3E%3Crect x=249 y=126 width=1 height=1%3E%3C/rect%3E%3C/g%3E%3C/g%3E%3C/svg%3E)
感谢读友,赞赏50元以上,下载链接会发到赞赏者公众号消息区,读友可获得各种类型150套以上系梁完整加工图,可以做为公司图库使用.
|