马上注册,结交更多好友,享用更多功能,让你轻松玩转社区。
您需要 登录 才可以下载或查看,没有账号?立即注册
x
1.轴流风机型号规格及价格
方钉文库
2.轴流风机厂家十大名牌
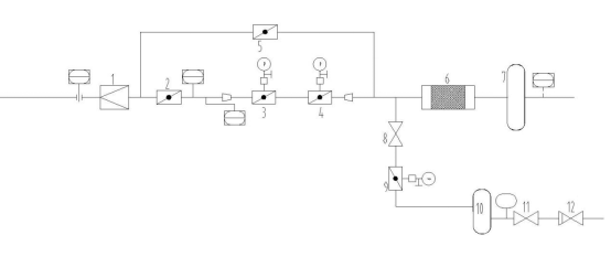
点击「气体分离订阅号」可快速关注微信号:qt168-2013★ 9月19日消息,国家知识产权局于近日向河南开利空分设备集团有限公司颁发了一项实用新型专利证书该实用新型专利涉及到一种新的高炉轴流风机机前富氧的装置,包括受控于控制系统的气动调节蝶阀、快速切断阀和涡轮传动蝶阀组成的调节阀组;氧气混合装置及相关的安全保护装置。
3.轴流风机型号及参数表
该装置可以广泛应用于钢铁冶炼行业,在达到富氧炼铁目的的同时还能节能降耗 据了解,高炉轴流风机机前富氧装置实用新型专利采用轴流风机机前富氧的方式,将分馏塔系统产出的低压氧气直接送至轴流风机入口,提高轴流风机入口空气中的氧气含量,由轴流风机替代氧气压缩机进行压缩,极大的节约了能耗。
4.轴流风机厂家
该项专利已成功应用于唐山市丰南区经安钢铁有限公司和唐山市贺新金属制品有限公司的几座高炉节能改造工程上,使用户节约大量电能,达到节能减排目的,同时也为用户创造了非常可观的经济效益 高炉富氧供氧方式分为三种:第一种机前供氧(即将氧气送入鼓风机吸风口和鼓风一起加压,经送风系统进入高炉风口内);第二种方式为机后供氧(即在鼓风从风机主管出来之后,在放风阀前某处,将氧气加入,和冷风混合经加热送入炉内),这是国内大多数厂家使用的办法,第三种实际也是机后供氧,在炉台通过氧煤枪和煤粉混合,直送风口前,目的是提高局部区域氧浓度,目前使用较少。
5.轴流风机排风正确装法
据悉,目前国内冶炼行业普遍采用第二种富氧方式(即从氧气压缩机来的3.0MPa的高压氧气经两次减压至0.6MPa后进入冷风管道)
6.轴流风机t35-11
图1 实用新型流程示意图
7.轴流风机尺寸对照表
图2高炉轴流风机机前富氧装置实用新型专利★ 为追踪国内外大型空分装备发展现状及趋势,增进该领域的技术交流与合作,促进我国大型空分装备技术水平和运营水平不断提高,中国通用机械工业协会气体分离设备分会决定于11月上旬中通协“第八届(上海)国际流体机械展”期间,举办“国际大型空分装备技术发展论坛”。
8.轴流风机风量型号参数对照
为提升本次会议质量及影响力,经秘书处研究决定出版“2016大型空分设备技术发展论坛”论文集,现面向行业各有关单位及行业人士征集论文,希望大家积极参与 有关要求如下:一、主题范围:1、大型空分技术发展现状;。
9.轴流风机 防爆型
2、新型节能型空分设备;3、空分设备节能改造;4、配套机组节能技术; 5、空分设备安全运营;二、时间:截止时间:2016年7月20日-2016年9月23日三、投稿须知:1.来稿请注明题目、作者、摘要,使用word文件格式,以“附件”形式发送电子邮箱
10.轴流风机风量
2.稿件内容论点明确、数据可靠、条理清晰,文字简练通畅3.注明作者个人简介包括:姓名、性别、民族、籍贯、职称、学位、研究方向、工作单位、职务、详细通讯地址及联系方式、E-Mail等四、组委会联系方式:联系人:王世超 13311507989 靳九如13911049706
电话:010-88393520-26转839 010-84675671 传真:010-84675672E-mail:dkf@cnpgn.com 
方钉导航
|