马上注册,结交更多好友,享用更多功能,让你轻松玩转社区。
您需要 登录 才可以下载或查看,没有账号?立即注册
x
1 工程概况
某酒店位于杭州市萧山新区,是当地的标志性建筑之一,总建筑面积约为18万m2,是一座集宾馆、餐饮、娱乐、办公为一体的综合性建筑。建筑设计地下部分共2 层,为汽车库和机电设备用房,包括制冷机房、热交换机房、变配电间等。地上部分由裙房和两栋高层塔楼所组成,裙房共设6 层,高度为46m。高层塔楼分为南楼和北楼,南楼为五星级酒店,共33 层,高度为152m,并在18层设有一个避难层;北楼为办公楼,共50 层,高度为225 m,设有三个避难层( 分别位于14 层、29 层和40 层);同时为方便设备布置,本大楼另设有技术层,分别位于6 层夹层及屋顶。本工程于2007 年开始设计,2013 年7月安装施工完毕,8月已经开始进行调试和试运行,计划在11 月正式投入使用。
2 设计参数
2.1 室外主要设计参数
室外主要设计参数见表1

2.2 室内主要设计参数
室内主要设计参数见表2

2.3 建筑热工参数
该酒店大楼采用大面积玻璃幕墙作为围护结构,其热惰性相对较小,室内平均辐射得热与传统围护结构差异较大。经过对围护结构热工性能的权衡判断及计算后,与建筑设计师协商,共同确定本工程的各项建筑热工参数如下:
(1) 外窗和幕墙采用隔热铝合金型材Low-E 中空玻璃组合,即外层8 mm 玻璃+ 中间12 mm 空气层+ 内层8 mm 玻璃。此组合玻璃窗的传热系数K= 2.4 W/( m2·K);
(2) 外墙的传热系数K = 0.57 W/(m2·K) ,内墙的传热系数K = 2.0 W/(m2·K);
(3) 屋顶的传热系数K = 0.48 W/(m2·K) 。
3 空调冷热源
本工程空调设计主要包括北楼主楼、南楼主楼和裙房三部分。北楼主楼为办公用房,投入使用后业主将考虑出售。为提高各用户使用空调的自主性以及方便空调冷热量的计量,该楼的空调系统设计为多联机系统。所有的多联机外机分别设置于三个敞开式避难层,通过垂直管路井与各室内机相连。多联机技术在高层建筑中的应用较为成熟普遍,此处不赘述。
本文着重介绍南楼主楼和裙房部分的中央空调系统,此部分为业主统一实行酒店式管理,经由HDY-SMAD 软件计算,得到夏季冷负荷为8 093 kW,冬季热负荷为5472kW。折算后冷指标为105W/m2,热指标为71W/m2。
着眼于系统节能运行及降低初投资这一角度,本工程设计中的冷源采用大温差技术,选用2 台1000RT的三级离心式冷水机组(设计出水温度5℃、回水温度13 ℃) 和1 台375RT的螺杆式冷水机组。考虑到附近有集中的城市蒸汽热网,故热源采用2台2800kW 的蒸汽板换机组,向水系统提供50~60℃的空调用热水。
4 空调水系统
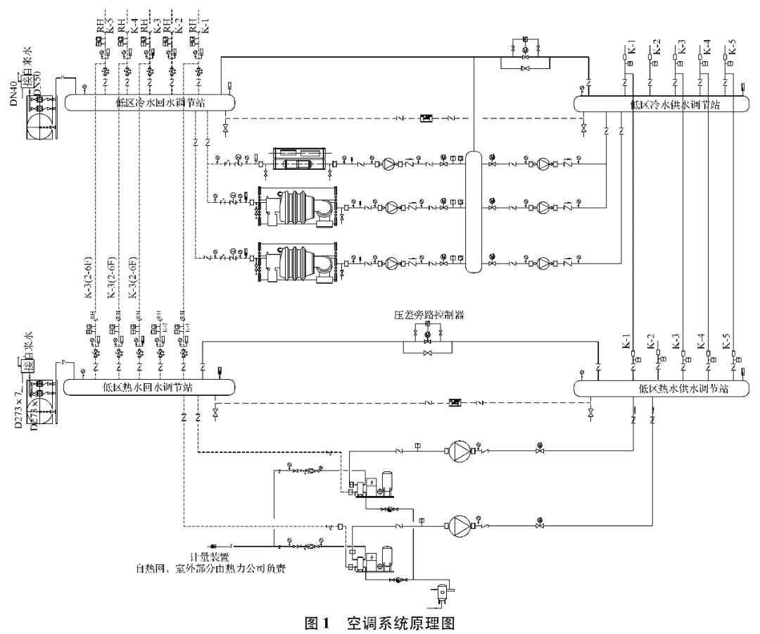
因本工程系统复杂,阻力较高,各环路负荷特性差异相差较大,综合考虑运行效率、水泵设备能耗等方面的效益,空调冷水系统设计为二次泵系统,热水设计为一次泵系统。冷水一次泵机房侧采用定流量,末端负荷侧二次泵采用变频变流量,冷热泵分别设置。供回水总管之间设压差控制旁通装置,各回水支管处设静态水力平衡阀。机房内的空调冷热水系统原理见图1。

为减少空调设备及管道的承受压力,以18层避难层为界,将大楼竖向分为两个区(图2);18 层以下为低区,18 层以上为高区。低区直接利用空调一次冷热水进行供冷供热,高区则通过板式换热器提供冷热量。低区冷、热水系统采用闭式膨胀罐定压,分别设于冷冻机房和锅炉房。高区系统采用开式膨胀水箱定压,设于南楼屋顶。

系统设计中,将水系统分为K-1~ K-5 五路供水(图2)。K-1,K-2 路设计为异程式,可减少耗用管材,降低施工难度,由于其末端设备为空调箱,自身阻力相对较大,系统调试也易于平衡。K-3 ~ K-5 路设计为同程式,水力稳定性好,末端各风机盘管的水量分配易均衡,调节方便。同时部分系统设计为四管制满足业主所需求的高质量空调环境要求。
5 空调风系统
对所有需要独立运行的相对较小的空间场所,如客房、包厢、办公等均采用可独立控制和调节室温的风机盘管加新风系统。酒店大堂、报告厅、宴会厅等大空间场所采用定风量全空气系统的空调方式。
在过渡季节全新风运行,运行工况的转换采用比焓控制方式。为保证送入室内的新风量达到设计要求,以上区域均设有排风装置。
服务于裙房部分空调系统的新风机组设置在每层的新风机房,新风管路水平布置。服务于南楼主楼部分的各新风机组放置在6 层技术层及屋顶技术层,分别通过竖向管井,将新风输送到各层的房间内。为避免漏风,在管井内衬镀锌风管。此外,为提高客房的舒适度,突出酒店的星级品质,客房区的新风机组设计湿膜加湿系统,以满足冬季房间内的湿度要求。
6 设计分析
6.1 大温差系统
(1) 本设计中空调冷源系统采用大温差系统,冷水出水温度较低,这将增加冷水机组的制冷能耗,但着眼于整个空调系统,大温差系统能够优化空调系统及各设备之间的能耗配比,在保证同等舒适度的前提下减少冷量输配的能耗,同时降低系统的初投资。
(2) 为保证设备的制冷能力,采用大温差系统后需对如风机盘管、空调箱等末端设备的制冷能力进行校核。经计算比较,在本系统中,采用三盘管数的风机盘管在两种温差下制冷的显热和全热能力都有略微提升;采用六盘管数的空调箱,其制冷的显热和全热能力基本相同,均能满足设备的使用要求。
6.2 节能设计
(1) 空调设备的能效控制。因空调系统能耗占整个建筑总能耗的比例非常大,从节能角度出发,所有空调设备均选择符合节能规范标准的低能耗产品。其中占空调系统能耗比例最高的大温差离心式冷水机组和螺杆式冷水机组,要求其COP 必须分别大于5.60 和5.10。
(2) 空调冷热水系统的输送能效控制。在本设计中,冷冻水侧与冷却水侧均采用大温差技术,输送水流量明显减少,使得冷冻水泵、冷却水泵的能效明显降低,同时二次侧冷水泵采用变频运行,使得冷冻水侧能耗进一步降低。
(3) 空调风系统的输送能效控制。设计时结合建筑布局,在不影响使用效果的前提下,通过控制风管的走向、阀门的设置、截面的比例、合理的风速等措施,减少风管自身阻力,达到进一步降低空调风机的输送能耗。
(4) 空调系统的保温设计。选用风管和水管的保温材料其保温性能需同时满足节能规范和防火规范的相关设计要求。
6.3 噪声控制
空调系统运行时会对建筑的声环境产生不同程度的影响。为保证室内人员的正常活动以及满足房间的功能要求,需营造一个相对安静的环境。因此,设计过程中应尽量减少由于空调设备运行、气流速度等因素引起的噪声,以保证酒店的声环境品质。本设计在消声隔振方面做了以下工作:
(1) 空调机、通风机、水泵等机械设备均选用低噪声型产品,从根源上控制噪声的产生。
(2) 将空调制冷设备布置于地下室,以减轻设备运行时对建筑物的影响,同时隔绝固体传声;所有设备机房均作建筑吸声处理,机房门均为防火隔声门;为设备做减震基础和减震吊架;通风设备衬橡胶减振垫或弹簧减振器和消声措施;机组与水泵进出管采用橡胶软接头连接;风机进出口与风管连接采用防火帆布连接;空调送、回风管上装消声器和消声混风箱等措施来减少噪声源传播。
(3) 合理控制风管风速和风口风速。
6.4 自动控制
(1)空调系统中的自控系统采用中央监控和就地控制方式,并纳入楼宇智能化(BAS)系统中;冷热源机房设置独立控制系统;通过热量演算对冷热源进行台数自动控制;根据流量变化对二次侧冷冻水泵和热水泵进行变频及台数控制。
(2)空调系统中采用冷却水温控制、低温旁通控制和预热控制等控制方式,同时将冷却水系统控制也纳入冷冻机房群控范围,以有效提升系统整体运行性能。末端设备如空调箱,采用回风温度(室内温度) 控制,新风机采用送风温度控制。
(3)系统中所有水泵均采用变频调速运行。所有通风空调设备均采用启停控制、预设时间控制及可以实时状态监测。
7 结语
(1) 阐述了高层酒店中央空调系统的设计方法及相关参数的选择,为此类空调系统在高层酒店建筑中的应用提供了现实案例。
(2) 酒店空调系统作为一个集冷水机组、冷却水泵、冷冻水泵、冷却塔和空调末端设备所构成的整体系统,本文介绍了一些技术在此类建筑中的应用。
(3) 从两个月来的调试和试运行来看,室内参数及运行效果基本满足设计要求。
本文来源于互联网。 获取25万制冷暖通空调专业人士关注,请联系:18149752715
|